TR7弯脚蓝光

型号:

电话:+86-0755-82536775

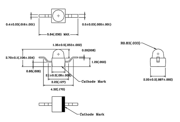
规格尺寸
产品应用

Copyright ©2018  ballbet贝博光电有限公司公司     版权所有

粤ICP备14038386号

点击这里给我发消息

关注微信

客服热线:

+86 0755-82536775

在线客服